首頁 > 產品中心 > 物鏡系列(長焦、紅外、紫外) > Mitutoyo三豐物鏡

產品售出后如無質量問題不退不換請諒解?。?!
產品售出后如無質量問題不退不換請諒解?。?!
近紅外線色差校正 M Plan NIR 物鏡
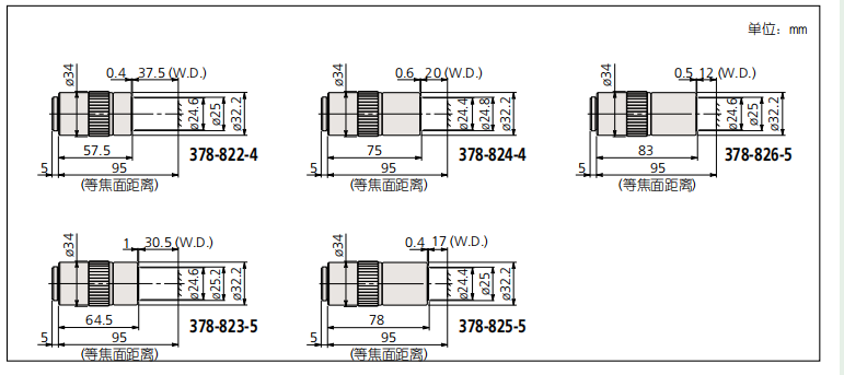
貨號 | Mag. | N.A. | W.D. | f | R | D.F. | 視場 1 | 視場 2 | 重量 |
378-822-5 | 5X | 0.14 | 37.5mm | 40mm | 2.0μm | 14.0μm | ?4.8mm | 0.96x1.28mm | 220g |
378-823-5 | 10X | 0.26 | 30.5mm | 20mm | 1.1μm | 4.1μm | ?2.4mm | 0.48x0.64mm | 250g |
378-824-5 | 20X | 0.40 | 20.0mm | 10mm | 0.7μm | 1.7μm | ?1.2mm | 0.24x0.32mm | 300g |
378-825-5 | 50X | 0.42 | 17.0mm | 4mm | 0.7μm | 1.6μm | ?0.48mm | 0.10x0.13mm | 315g |
378-826-5 | 100X | 0.50 | 12.0mm | 2mm | 0.6μm | 1.1μm | ?0.24mm | 0.05x0.06mm | 335g |
378-863-5 | 50X | 0.65 | 10mm | 4mm | 0.42μm | 0.65μm | ?0.48mm | 0.10x0.17mm | 450g |
378-864-5 | 100X | 0.70 | 10mm | 2mm | 0.74μm | 0.56μm | ?0.24mm | 0.05x0.06mm | 450g |
注:
這些物鏡是為把工件圖像成在景深之內而設計的 (甚至波長在可見光 (波長 =480nm) 和 近 紅 外 范 圍 (波長=1800nm) 之間變化時),所以 M Plan NIR 系列適用于激光修復。然而當波長超過 1100nm 時,由于玻璃的散射率和折射率的變化,焦點的位置和可見光下的相比可能會稍有偏離。
